| 产品标题:Q24Q2H-8,Q系列滑柱式换向阀,二位四通滑柱式电磁阀 产品ID:VIB20100914221711734 品 牌:HB海博气动 所在地:中国 上海 价 格:面议 (大量采购价格面议) 库存状态:货期待查 更新日期:2025-11-20 18:29:52 咨询电话:(+86)021-51699285 咨询Q Q: 2695337323 |
|
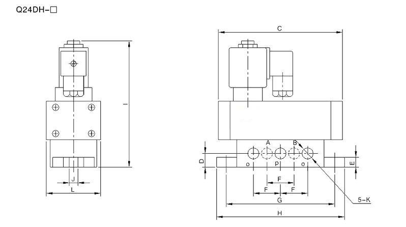
型 号 |
Q24DH-6 Q24QH-6 Q24D2H-6 Q24Q2H-6 |
Q24DH-8 Q24QH-8 Q24D2H-8 Q24Q2H-8 |
Q24DH-10 Q24QH-10 Q24D2H-10 Q24Q2H-10 |
Q24DH-15 Q24QH-15 Q24D2H-15 Q24Q2H-15 |
|
有效截面积 (mm2) |
6 |
8 |
10 |
15 |
|
工作压力 (MPa) |
0.2-0.8 | |||
|
换向时间 (S) |
0.1 | |||
|
环境温度 (°C) |
-10~55
| |||
|
介质温度 (°C) |
0~50 | |||
|
电源电压 (V) |
AC: 220, 110, 36; DC: 48, 24, 12 电压波动允许为额定值的 +10~-15% 气控无本项参数 | |||
|
寿命 (万次) |
>=150 | |||

|
型号 |
接管螺纹 K |
C |
D |
E |
F |
G |
H |
I |
J |
L |
|
Q24DH-6 ·方头 |
G1/8 |
129 |
12 |
10 |
24 |
94 |
115 |
126 |
9 |
50 |
|
Q24DH-8·方头 |
G1/4 | |||||||||
|
Q24DH-10·方头 |
G3/8 |
164 |
17 |
12 |
36 |
132 |
156 |
160 |
9 |
60 |
|
Q24DH-15·方头 |
G1/2 | |||||||||
|
Q24DH-6 圆头 |
G1/8 |
133 |
12 |
10 |
24 |
94 |
115 |
131 |
9 |
50 |
|
Q24DH-8 圆头 |
G1/4 | |||||||||
|
Q24DH-10 圆头 |
G3/8 |
176
产品型号
更多产品
MORE+
![]()
|